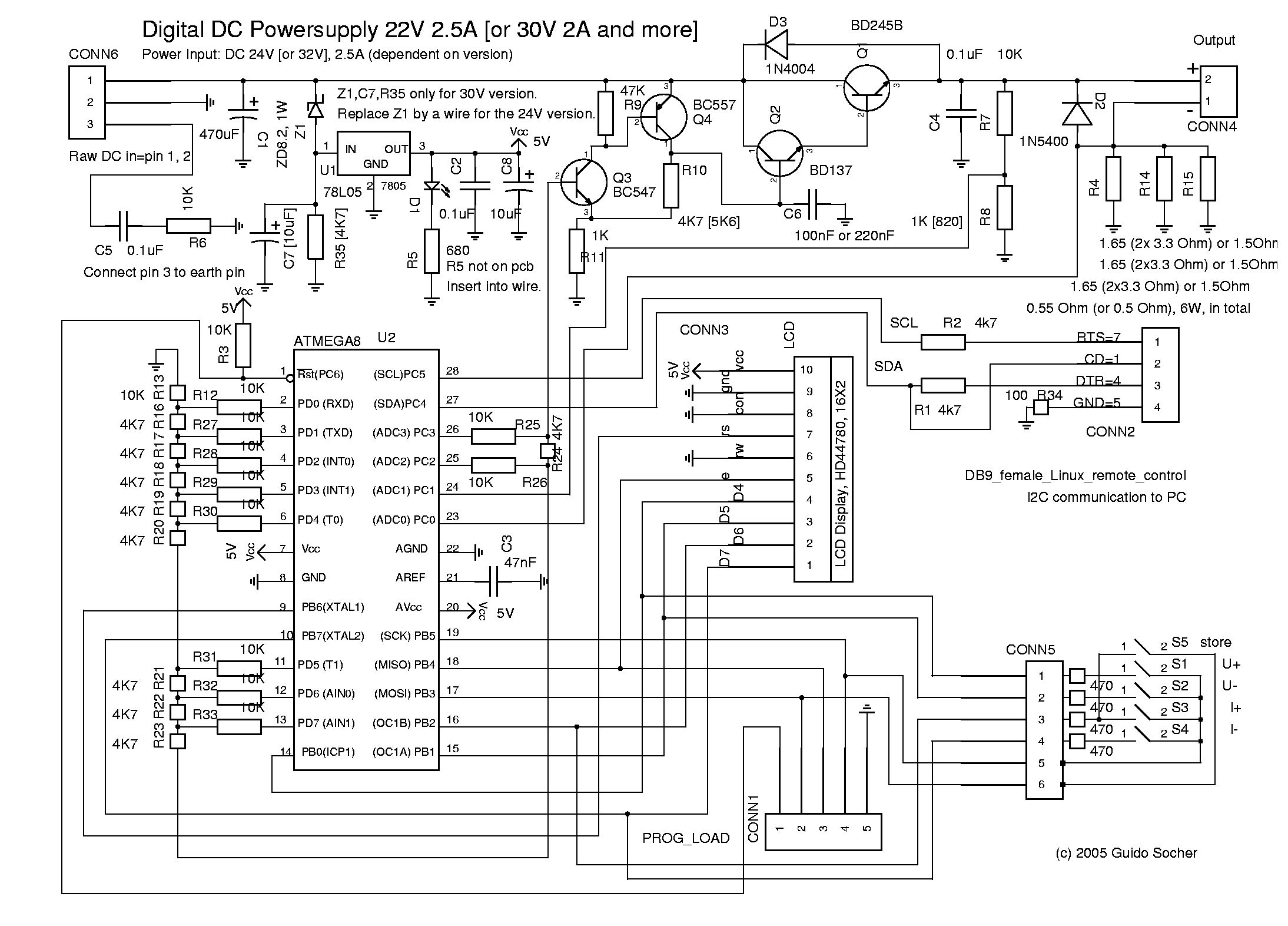
powersupply_upd4.pdf | mtime: 2006-01-08, size: 15656 bytes | circuit diagram |
powersupply_upd4.gif | mtime: 2006-01-08, size: 29351 bytes | circuit diagram |
digitaldcpower-0.4.10-1.tar.gz | mtime: 2017-05-22, size: 670671 bytes | unix tape archive, compressed Changes since 0.4.10: - no functional change, just adapted to compile clean with a recent avr-gcc |
digitaldcpower-0.4.10.tar.gz | mtime: 2007-03-09, size: 671684 bytes | unix tape archive, compressed Changes since 0.4.9: - updates for new gcc versions which do stronger loop optimisation |
digitaldcpower-0.4.9.tar.gz | mtime: 2006-03-24, size: 663785 bytes | unix tape archive, compressed Changes since 0.4.8: - Minor correction in timer handling |
digitaldcpower-0.4.8.tar.gz | mtime: 2006-03-04, size: 671046 bytes | unix tape archive, compressed Changes since 0.4.7: - Compatibility with gcc-core-4.0.X (older versions are designed for gcc-core-3.4.X compiler only). |
digitaldcpower-0.4.7.tar.gz | mtime: 2006-01-22, size: 663677 bytes | unix tape archive, compressed Changes since 0.4.6: - Bugfix in i2c code for Win XP |
digitaldcpower-0.4.6.tar.gz | mtime: 2006-01-08, size: 661453 bytes | unix tape archive, compressed Changes since 0.4.5: - configurable short circuit protection values. - hardware update for 30V version |
powersupply_upd3.pdf | mtime: 2005-09-03, size: 15520 bytes | circuit diagram |
powersupply_upd3.gif | mtime: 2005-09-03, size: 77776 bytes | circuit diagram |
digitaldcpower-0.4.5.tar.gz | mtime: 2005-10-15, size: 607801 bytes | unix tape archive, compressed Changes since 0.4.4: -Adapted Makefile for avrusb500 |
digitaldcpower-0.4.4.tar.gz | mtime: 2005-09-29, size: 601707 bytes | unix tape archive, compressed Changes since 0.4.3: -better scrolling -show software version on long store button press |
digitaldcpower-0.4.3.tar.gz | mtime: 2005-09-03, size: 601378 bytes | unix tape archive, compressed |